一、液压传动
1、液压系统的组成
(1)动力元件,将机械能转换为流体压力能的装置,向液压系统提供压力油,如液压泵。
(2)执行元件,将流体压力能转换为机械能的元件,如液压缸、液压马达。
(3)控制元件,控制系统压力、流量、方向的元件以及进行信号转换、逻辑运算和放大等功能的信号控制元件,如溢流阀、节流阀、方向阀等。
(4)辅助元件,保证系统正常工作除上述3种元件外的装置,如油箱、过滤器、蓄能器、管件等。
(5)工作介质,液压油。用来传递运动和动力,同时起润滑、冷却和密封作用。
2、动力元件——液压泵
(1)图形符号(93年旧标准)

(2)分类
按排量能否调节:定量泵、变量泵;
按输油方向能否改变:单向泵、双向泵;
按内部结构:柱塞泵、齿轮泵、叶片泵、螺杆泵。
其中叶片泵分为单作用叶片泵和双作用叶片泵,齿轮泵分为外啮合齿轮泵和内啮合齿轮泵。
3、执行元件——液压马达和液压缸
(1)液压马达图形符号(09年新标准)

(2)液压缸图形符号

4、控制元件
(1)方向控制阀
①单向阀分为普通单向阀和液控单向阀。


②换向阀
换向阀的工作位置数称为“位”,与液压系统中油路相连通的油口数称为“通”。

(2)压力控制阀
①溢流阀
溢流阀按结构形式不同分为直动式和先导式。

溢流阀的应用:起溢流稳压作用、起安全保护作用、实现远程调压、实现油泵卸荷、作为背压阀使用。
②减压阀
常用定值减压阀,也分直动和先导
③顺序阀
被用来控制执行元件动作的先后顺序。也分直动和先导。
|
|
溢流阀 |
减压阀 |
顺序阀 |
| 出油口情况 |
出油口与油箱相连 |
减压回路相连 |
与执行元件相连 |
|
泄漏形式 |
内泄式 |
外泄式 |
外泄式 |
| 状态 |
常闭 |
常开 |
常闭 |
| 在系统中的连接方式 |
并联 |
串联 |
实现顺序动作时串联,作泄荷阀时并联 |
| 功用 |
限压、保压、稳压 |
减压、稳压 |
不控制回路的压力,只控制回路的通断 |
| 工作原理 |
利用控制压力与弹簧力平衡的原理,通过改变滑阀开口量大小控制系统的压力 |
||
| 结构 |
结构基本相同,只是泄油路不同 |
||
(3)流量控制阀
①节流阀
②调速阀
5、辅助元件
液压辅助装置包含蓄能器、过滤器、油箱和冷却装置、油管和管接头等。
蓄能器的作用是液压能的储存和释放装置。
过滤器的作用是保证液压油清洁,防止杂质进入液压系统。
油箱的作用是储存油液、沉淀和冷却作用
油管和管接头的作用是连接和输送液压油。
二、气压传动
气动系统由气源装置、执行元件、控制元件、辅助元件和工作介质组成。
(1)气源装置:获得压缩空气的设备,空气净化设备。 如空压机,空气干燥机等。
(2)执行元件:将气体的压力能转换成机械能的装置,也是系统能量输出的装置。如气缸,气马达等。
(3)控制元件:用以控制压缩空气的压力,流量,流动方向以及系统执行元件工作程序的元件。如压力阀,流量阀,方向阀和逻辑元件等。
(4)辅助元件:起辅助作用,如过滤器,油雾器,消声器,散热器,冷却器,放大器及管件等。
(5)工作介质:气动系统得工作介质为压缩空气,起传递动力运动及信号得作用。
2025复习题
判断题
( √ )液压传动系统中,压力的大小取决于负载的大小。
( √ )双作用叶片泵相对于单作用叶片泵,其流量均匀性好,转子所受径向液压力基本平衡。
( × )背压阀的作用是使液压缸回油腔具有一定的压力保证运动部件运行平稳。背压阀是一种特殊的阀,不可用其他阀代替。
( × )单向顺序阀是两个元件,不能做成一个元件。
( √ )改变轴向柱塞泵斜盘的倾角,就可以改变柱塞泵的流量。
( × )换向阀只能用于换向,不能用于其他目的。
( √ )压力继电器可以安装在液压缸的进油路上,起安全保护的作用。
( × )蓄能器可以用作辅助动力源,不能保压和补充泄漏。
( × )液控单向阀的功能是只允许油液向一个方向流动。
( × )减压阀是常闭的压力控制阀。
( √ )调速阀是由节流阀和定差减压阀串联而成。
( × )齿轮泵的吸油腔是齿轮不断投入啮合的那个腔。
( × )齿轮泵因其流量较大,常用于高压系统。
( × )为了减轻重量,柱塞缸一般做成空心的。
( × )当液压油的粘性随温度变化而变化较大时,则粘温特性较好。
( × )卸荷回路可以用换向阀的中位机能实现,如O型中位机能。
( √ )气压传动和液压传动相比,干净整洁,但噪音较大。
( √ )液压油的粘度过高会使系统发热增加,而过低又会导致泄漏加剧。
判断题
负载大、功率大的机械设备上的液压系统可使用( C )。
A 齿轮泵 B叶片泵 C柱塞泵 D都可以
外啮合齿轮泵位于轮齿逐渐脱离啮合的一侧是( B )。
A压油腔 B吸油腔 C平衡腔 D卸荷区
液压泵的理论流量( A )实际流量。
A 大于 B小于 C等于 D都有可能
能形成差动连接的液压缸是( A )。
A 单杆双作用液压缸 B单杆单作用液压缸 C双杆液压缸 D柱塞缸
换向阀图形符号中P口接( B )。
A 油箱 B液压泵 C液压缸 D单向阀
液压系统中,压力损失主要发生在( C )。
A 液压缸 B 液压泵 C 控制阀 D 油箱
在液压系统中,用于储存液压油的元件是( C )。
A 液压缸 B 液压泵 C 控制阀 D 油箱
液压回路中将溢流阀安装在液压缸输出端的作用是( A )。
A 背压 B稳定工作压力 C卸荷 D限定系统最高压力
在液体流动中,因某点的压力低于空气分离压而产生大量气泡的现象,称为( C )。
A 层流 B液压冲击 C空穴 D紊流
机床液压系统和导轨混合润滑时,一般采用( D )。
A 抗磨润滑油 B普通液压油 C低温液压油 D导轨液压油
液压泵能实现吸油和压油,是由于液压泵( C )的变化。
A 动能 B 压力能 C 密封容积 D 流动方向
液压系统中,过滤油液杂质的元件是( C )。
A油泵 B 液压缸 C 滤油器 D压力表
气动三联件不包括以下哪一项?( C )
A 空气过滤器 B 减压阀 C 节流阀 D油雾器
当三位四通换向阀处于中位时,( A )型中位机能可实现液压缸的锁紧。
A O型 B Y型 C H型 D P型
在液压系统中,油液的不可压缩性是指( A )。
A 油液体积不变 B 油液密度不变
C 油液压力不变 D 油液温度不变
液压系统原理图中,与三位换向阀连接的油路一般应画在换向符号的( C )位置上。
A 左位 B右位 C中位 D下位
液压传动系统对于过载现象的叙述,正确的是( A )。
A 易于实现过载保护 B不能实现过载保护 C不确定 D能够稳压
下列哪个不是液压泵的主要类型( B )?
A 齿轮泵 B 节流阀 C 叶片泵 D 柱塞泵
下列压力控制阀中,哪一种的出油口直接通向油箱( C )?
A 顺序阀 B 减压阀 C 溢流阀 D 压力继电器
将先导式溢流阀的远程控制口接了回油箱,将会发生什么?( A )
A. 泵卸荷 B. 进口压力无穷大 C. 没有影响 D. 错误接法
填空题
能实现安全保护的液压元件包括( 溢流阀 )、( 顺序阀 )和压力继电器等。
换向阀的职能符号中,P表示进油口,连接( 液压泵 ),T表示( 回油口 ),连接油箱。
气压传动(简称气动)是指以( 空气 )为工作介质来进行能量传递的一种传动形式,而液压传动以( 液压油 )为工作介质来进行能量传递。
流量控制阀的功用就是通过改变阀口流通面积的大小来调节通过阀口的( 流量 )的大小,最终控制液压缸的运动( 速度 )。
压力控制阀有( 溢流阀 )、( 减压阀 )、顺序阀和压力继电器等。
液压马达和液压缸是把液体的压力能转变为( 机械能 )的装置。液压马达输出的运动形式是( 旋转 )运动。
按排量是否可调,双作用叶片泵一般为定量泵,而单作用叶片泵一般为( 活塞缸 ),柱塞泵是( 单作用液压缸 )。
定量泵节流调速系统中溢流阀的作用是( 溢流稳压 ),当先导式溢流阀的先导阀通过二位二通换向阀和油箱相连时,其作用是( 卸荷 )。
简答题
什么是三位四通换向阀的中位机能?列举三个换向阀的中位机能并分析其作用。
答:阀芯在中间位置时各油口的连通情况(换向阀所具有的功能)称为换向阀的中位机能。例如O型机能使液压缸锁紧,P型中位机能使液压缸差动连接,M型中位机能卸荷
影响齿轮泵性能和寿命的三大问题是什么?找出其中一种分析其解决方法。
三大问题:泄漏、困油和径向力不平衡;
答:困油的解决方法:开卸荷槽。径向力不平衡解决方法:开平衡槽或吸油口大于压油口。任取其中一个即可。
压力控制阀有哪些?应用压力控制阀可以组成哪些液压回路?
答:溢流阀、减压阀、顺序阀和压力继电器;调压回路、减压回路、增压回路、卸荷回路、平衡回路等。两个及以上即可。
气压传动的特点及应用?
答:气压传动与传统的液压传动相比,具有防火、防爆、节能、无污染等优点,因此该技术已广泛应用于多个行业,特别是在工业机器人、高速轨道交通、航空航天等自动化控制系统中的应用越来越多。
分析液压缸缓冲装置的作用?
答:为了防止液压缸在行程终点时和缸盖相互撞击,引起噪声、冲击。
为什么要在系统中使用卸荷回路?
答:使用卸荷回路可以避免液压泵频繁启闭,减小功率损耗,降低系统发热,延长液压泵和电机的使用寿命。
溢流阀和减压阀的区别有哪些?
答:结构不同:溢流阀阀芯常闭,减压阀阀芯常开;溢流阀由进油口压力与弹簧平衡,减压阀由出口压力与弹
平衡作用不同;溢流阀无外泄口,而减压阀有外泄口。也可从用途角度分析,合理即可
油箱的作用有哪些?
答:储存油;冷却和沉淀杂质;支撑其他液压元件
计算题
分析按结构分溢流阀和液压缸的种类?分别绘制其图形符号。
答:溢流阀分为直通式溢流阀和先导式溢流阀;液压缸可分为单作用和双作用缸;或者单杆液压缸和双杆液压缸等。
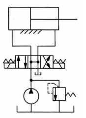
液压系统中卸荷方式有哪几种?标出如下液压原理图中各液压元件的名称,并分析如何实现卸荷?

答:二位二通换向阀和溢流阀并联卸荷;三位四通换向阀中位机能卸荷;先导式溢流阀卸荷。 油箱、液压泵、液压缸、三位四通换向阀、溢流阀; 当三位四通换向阀两端电磁都不通电时,中位机能P口和T口相通,泵出的油直接流回油箱,实现卸荷。
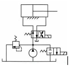
分析如图所示的液压回路并回答问题:
(1)各液压元件的名称和作用;
(2)分析如何实现卸荷(写出油流路线)?
(3)写出液压缸左侧进油的油流路线。

1)液压泵:供油,提供动力;溢流阀:安全保护;二位二通换向阀:卸荷;油箱:储存液压油;换向阀:改变液体流动方向;液压缸:执行部分,将压力能变为机械能。
2)二位二通换向阀通电时,右侧路导通,泵里的油直接流回油箱,泵卸荷。油箱→液压泵→二位二通换向阀→油箱。
3)换向阀不通电,油箱→液压泵→二位四通换向阀→液压缸。
分析液压泵和液压缸的种类?分别绘制单向定量泵和双杆双作用液压缸的职能符号。
答:液压泵按原理分齿轮泵、叶片泵和柱塞泵;按是否变量可分为变量泵和定量泵;按是否可反向分为单向泵和双向泵。(任何一种都可以)
液压缸可分为单作用和双作用缸;单杆缸和双杆缸等。
分析如图所示溢流阀的作用?在图上标出溢流阀的P口和T口
答:溢流阀作用:(a)安全保护;(b)溢流稳压。
P口接油泵,T口回油箱。
复习题(以前)
1. 液压系统的动力元件是( )。
A.电动机 B. 液压泵 C. 液压缸 D. 液压阀
2. 能将液压能转换为机械能的液压元件是( )。
A.液压泵 B. 液压缸 C. 单向阀 D. 溢流阀3. 按作用方式不同,液压缸可分为单作用式和( )两大类。
A.双作用式 B. 三作用式 C.反作用 D.直线作用
4. 按照气动控制元件的作用,顺序阀属于( )。
A. 流量控制阀 B. 方向控制阀 C.辅助元件 D. 压力控制阀
5. 控制阀可分为三大类,它们是( )。
A.压力阀/方向阀/流量阀 B.单向阀/比例阀/伺服阀C. 球阀/截止阀/闸阀
6. 液压机床开动时, 运动部件产生突然冲击的现象通常是( )。
A. 正常现象,随后会自行消除 B. 油液中混入了空气
C. 液压缸的缓冲装置出故障 D. 系统其他部分有故障
7. 二位五通阀在任意位置时,阀芯上的油口数目为( )。
A. 1 B. 2 C. 3 D. 5
8. 过滤器不能安装的位置是( )。
A.回油路上 B.泵的吸油口处 C.旁油路上 D.油缸进口处
9. 在中、低压液压系统中,通常采用( )。
A. 铜管 B. 钢管 C. 橡胶软管 D. 塑料管
1.B | 2.B | 3.A | 4.D | 5.A | 6.B | 7.B | 8.A | 9.C |
1. 与机械传动相比,液压传动的优点是可以得到严格的传动比。 ( )
2. 不考虑泄漏的情况下,根据液压泵的几何尺寸计算而得到的排量称为理论流。( )
3. 与液压传动相比,由于气体的可压缩性大,因此气动执行机构的运动稳定性低、定位精度不高。( )
4.轴向柱塞泵是通过调节斜盘来调节泵的排量。( )
5. 溢流阀作安全阀使用时,系统正常工作时其阀芯处于半开半关状态。( )
6. 齿轮泵多用于高压系统,柱塞泵多用于中压系统,叶片泵多用于低压系统。( )
7. 在液压传动系统中,为了实现机床工作台的往复运动速度一样,采用单出杆活塞式 液压缸。( )
8. 对同一定量泵,如果输出压力小于额定压力且不为零,转速不变,则实际流量 小于额定流量。( )
9. 轴向柱塞泵是通过调节斜盘来调节泵的排量。( )
10. 液压传动是以液体作为工作介质进行能量传递的一种传动形式( )
1.× | 2.× | 3.√ | 4.√ | 5.× | 6.× | 7.× | 8.× | 9.√ | 10. √ |
1. 经( )后输出的系统压力相对稳定压力波动值不大
A. 梭阀 B. 单向阀 C. 安全阀 D. 调压阀
2. 液压系统油箱内设隔板是为了( )。
A.增强刚度 B.减轻油面晃动 C.防止油漏光 D.利于散热和分离杂质
3. 大流量的液压系统中,主换向阀应采用( )换向阀。
A.电磁 B.电液 C.手动 D.机动
4. 解决齿轮泵困油现象的最常用方法是( )。
A.减少转速 B.开卸荷槽 C.加大吸油口 D.降低气体温度
5. 斜盘式轴向柱塞泵改变流量是靠改变( )。
A.转速 B.油缸体摆角 C 浮动环偏心距 D.斜盘倾角
6. 液压系统中冷却器一般安装在( )。
A.油泵出口管路上 B.回油管路上
C.补油管路上 D.无特殊要求
7. 在油箱中,溢流阀的回油口应( )泵的吸油口。
A.远离 B.靠近 C.平行于 D.无特殊要求
8. 下列( )液压油泵属于变量的是:
A.齿轮泵 B.单作用叶片泵 C.双作用叶片泵 D.B+C
9.液压缸的运行速度主要取决于( )。
A.液压缸的密封 B.输入流量
C.泵的供油压力 D.外负荷
1.D | 2.D | 3.B | 4.B | 5.B | 6.B | 7.A | 8.B | 9.B |
1. 密封圈的安装没有要求。( )
2. 系统中工作元件的工作压力等于泵的额定压力。( )
3. 减压阀、顺序阀和溢流阀都有泄油口。( )
4. 油箱中油温太高,应采用水冷却或风冷却。( )
5. 在运动中密封容积能不断变化的泵即为变量泵。( )
6. 液压缸的缸盖与缸体密封圈不可以省略。( )
7. 液压传动的压力决定于外负载,并随外负载的减小而增大。( )
8. 理想液体稳定流动时,某截面处的流速越大则该处的压力越低。( )
9. 调速阀、减压阀、单向顺序阀都不能作反向流动。( )
10. 油液的粘度与温度成正比而与压力成反比。( )
1. × | 2. × | 3. × | 4. √ | 5. × | 6.√ | 7. × | 8. × | 9. × | 10. × |

发表评论 取消回复